气缸_服务自动化行业配套与解决方案_RIH瑞亨气动_气缸厂家
服务热线:0577-62800800
您可以搜索产品、图纸、视频等一切相关信息
产品中心
MHZ2系列气动手指气缸

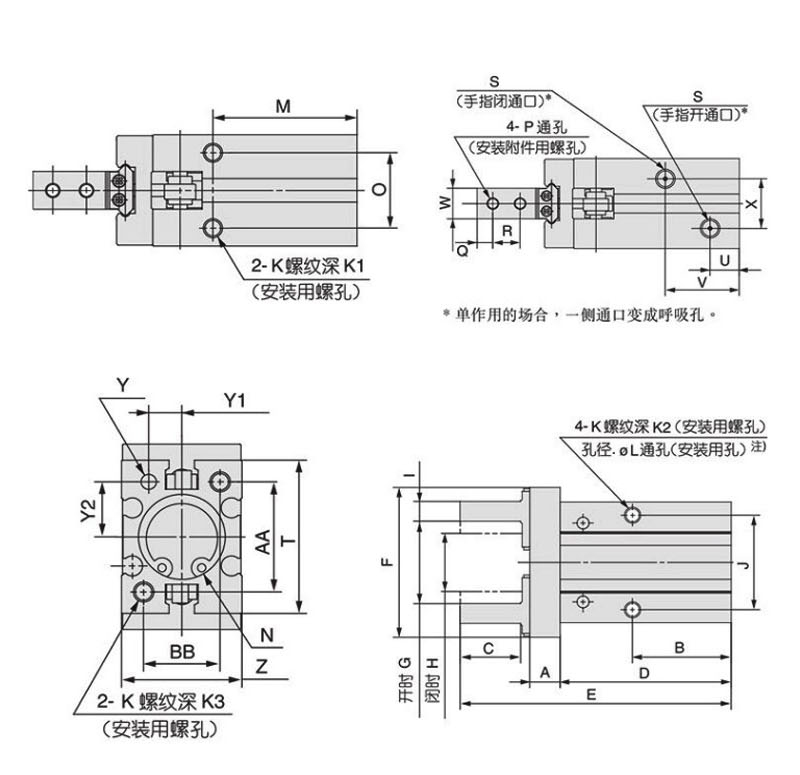
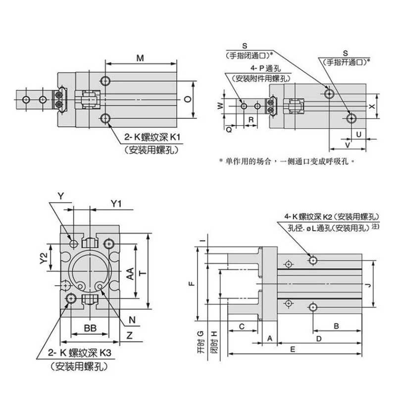
SMC气动手指气缸能实现各种抓取功能,是现代气动机械手的关键部件。MHZ2手指气缸是双作用型,能实现双向抓取,可自动对中,重复精度高,抓取力矩恒定。在气缸两侧可安置无接触式行程开关检测。耗气量低,适合于含油雾的或不含油雾的压缩空气。有多种安装连接方式,安装方便。

点击咨询 相关视频 资料下载
分享到:

SMC手指气缸

未标题-1.jpg

瑞亨气动服务于自动化配套与解决方案,值得信赖的气缸厂家

20150624174440_1052215.jpg